2025-06-10 10:35
已查看169次
1 适用范围
本通则规定了玻璃安瓿的分类和要求,
本通则适用于盛装注射液的玻璃安瓿。
2、分类
主要按玻璃的颜色、易折方式进行分类
按玻璃颜色分类可分为无色玻璃安瓿和棕色玻璃安瓿。
-按易折方式分类可分为点刻痕易折玻璃安瓿和色环易折玻璃安瓿
3、测试项目
3.1内应力 用于控制玻璃安瓿退火后残余的内应力,减少内应力对产品机械强度的影响。照玻璃容器内应力测定法(通则4003)测定,
退火后的最大永久应力造成的光程差不得过40nm/mm 。
测试仪器:普创科技SG-03T微电脑偏关应力仪

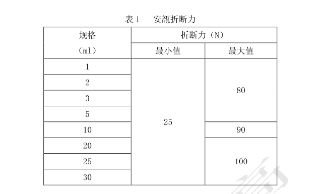
3.2折断力 用于控制玻璃安瓿的易折性能。照玻璃安瓿折断力测定法(通则4018)测定安瓿折断力的范围应符合表1规定的值。

测试仪器:普创科技PMT-B折断力测试仪

查看更多 >
查看更多 >
查看更多 >
查看更多 >
查看更多 >
查看更多 >
联系我们