2025-09-05 10:28
已查看139次
纸餐具 paper tableware:由纸或纸板加工成型的,预期用餐或类似用途的器具。注:包括纸碗、纸桶、纸餐盒、纸板盒、纸餐盘、纸刀、纸叉、纸勺等以及配套用纸盖
GB/T 27591-2025《纸餐具》是我国针对一次性纸制餐饮用具制定的最新国家标准,旨在规范纸餐具的质量与安全,保障消费者使用体验并推动行业环保发展。该标准对纸餐具的
多项关键性能指标提出了明确要求,其中抗压强度、整体挺度、抗弯性能是衡量产品结构稳定性和使用可靠性的核心力学指标,其检测方法和配套仪器的选择直接影响测试结果的准确性与权威性。
附录A:纸碗(桶)抗压强度的测定
仪器设备
普创科技SCT-E1包装耐压性能测试仪:仪器上下两压板的尺寸应足够大,板面平直,并满足如下规定

a)两压板工作面间平行度应不大于1:2 000;
b)可动压板运动过程中的横向晃动量应不大于0.05 mm。
试验时,由电机驱动一压板向另一压板移动,压板运行速度为12.5 mm/min±2.5 mm/min。仪器力值测量的最大允许误差为±1%。
A.2试验步骤
将试样放在下压板的中间位置,然后启动仪器,使试样受压直至压溃。直接读取压力值,精确至1N。测试时如出现试样未被整体压溃的情况,该测试值应舍弃,必要时调整仪
器参数,重新取样测试。若试样为带盖的纸碗(桶),则测试时不配盖。每个样品测定 10个试样,测定时应5个试样的开口向上,另外5个试样的开口向下。
A.3 结果表示
以10个试样测定结果的算术平均值表示,单位为牛顿(N),结果修约至整数。
附录B:纸餐盘整体挺度的测定
B.1原理
在规定的试验条件下,夹持纸餐盘的一端边缘,调节支撑点高度使纸餐盘处于水平状态,在另一端向纸餐盘施加垂直方向一定速度(25 mm/min±2 mm/min)的力,
下压头下降至一定位置时,记录下压过程中受力测量装置受的最大力值。
B.2 仪器设备
普创科技ETT-A纸餐盘整体挺度仪,能调节纸餐盘试样水平并夹持其边缘,两个支撑头之间的间距为30mm,配备能上下移动的带有力值传感器
的下压头,下压头底部直径为4mm,示意图见图 B.1。


B.3试验步骤
B.3.1 任取5个纸餐盘试样,测量试样直径d。若试样形状为方形,则测量试样长边的长度,以与长边平行的对称轴方向测定试样整体挺度。若样品为其他形状,测量位置可由供需双方协商。
B.3.2 根据试样直径或长度选择相应的夹持点至两个支撑头中心点的距离L,,以及受力点下降距离H,,见表 B.1。

B.3.3试样的一端置于夹持处夹紧,并调节支撑点高度,使试样处于水平状态(即试样底部与水平线平行)
B.3.4 调节仪器,使夹持点至两个支撑头中心点的距离为L2,下压头置于两个支撑头中心点至试样边缘L,的中心位置的正上方。启动仪器,下压头在垂直方向上向下运行,当下压头刚接触
试样时,仪器开始记录受力距离。下压头运行H2,距离时,终止行程,压力传感器记录所受的最大力,以牛顿(N)表示。
B.3.5每个样品测定5个试样,试样的开口朝上。
B.4 结果表示
以5次测定的算术平均值表示结果,单位为牛顿(N),结果修约至小数点后2位。
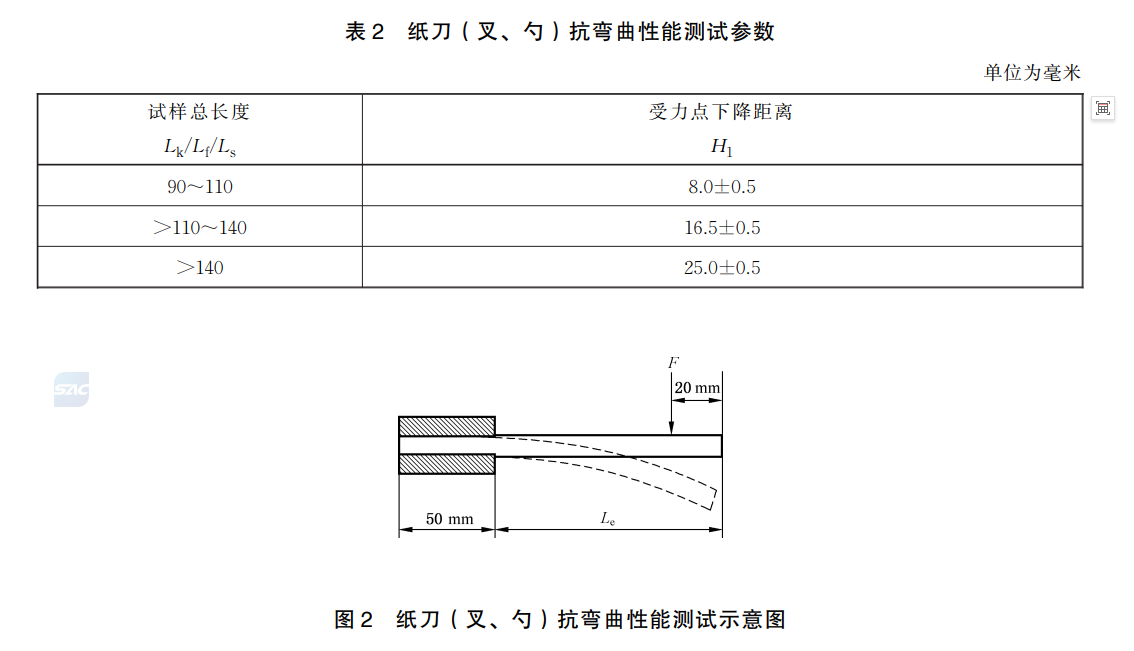
6.7 抗弯曲性能
测试仪器:普创科技ETT-A电子拉力试验机

测试过程
6.7.1 试样处理:从纸刀(叉、勺)样品中取出 10个试样,其中5个试样不做处理,作为干态抗弯曲性能测试试样;将另外5个试样的使用端浸入蒸馏水或去离子水中,浸水长度为试样未
夹持部分L。的一半(见图 2),浸水时间为 300s±5s,测试水温为60℃±2℃,作为湿态抗弯曲性能测试试样。湿态试样浸水取出后,宜尽快擦除表面多余水分,立即进行测试。
6.7.2 试验步骤:测量纸刀 (叉、勺)试样总长度L(L,或L),依据试样总长度,按表2选取相应的受力点下降距离 H。将纸刀(叉、勺)的手柄固定在抗弯曲性能检测仪上,夹持长度为
50 mm±2 mm,纸叉和纸勺试样正面朝上,示意图见图 2。在距离试样使用端20 mm 的位置,下压头向试样施加压力。下压头以 25 mm/min±2 mm/min 的速度在垂直方向上移动
一定距离H,记录受力测量装置下压过程中所受力F的最大值,单位以牛顿(N)表示。以5次测定的算术平均值表示结果,并修约至小数点后第2位。
注:长度小于 90 mm 的纸刀(叉、勺)不考核。

查看更多 >
查看更多 >
查看更多 >
查看更多 >
查看更多 >
查看更多 >
联系我们